싸이트주소  (마이페이지) 

 


























현재위치 : Home

이전 다음

[NO_번호 : 35339] [수정일자 : 2025-08-08]
송풍팬SSY_중고
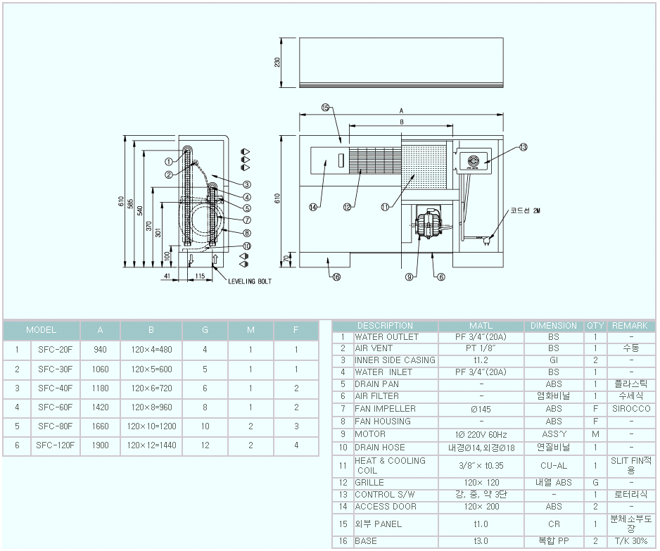
펜코일_SFC-80F 

판매가

55000원

판매자

* 다사농기 55000원 1EA  

구매하기

EA (현재 1EA 재고 있습니다.)

본상품포함  

 

 

 *팬코일 동파로 인해 분해한 송품팬 실물사진입니다

※첨부파일: 제원1, 제원2

전체선택 (재고확인)

펜코일_SFC-80F_우배관

 

전화번호

궁금한 점을 등록하시면 확인 후 답변드립니다.