싸이트주소  (마이페이지) 

 


























현재위치 : Home

이전 다음

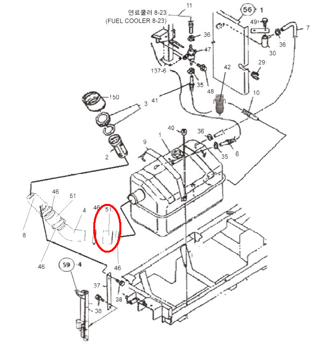
[NO_번호 : 42979] [수정일자 : 2025-09-20]
연결호스_KC6130
KC6130

규격표시

076*087*066

판매가

17730원
비회원 : 17730원

판매자

* 다사농기 17730원 2EA

구매하기

EA (현재 2EA 재고 있습니다.)

본상품포함  

 

 

전체선택 (재고확인)

주유조인트_KC6130
(재고:1)

주유구_KC6130
(재고:1)

  
반도100_4in
(재고:108)

 

전화번호

궁금한 점을 등록하시면 확인 후 답변드립니다.