싸이트주소  (마이페이지) 

 


























현재위치 : Home

이전 다음

[NO_번호 : 43159] [수정일자 : 2025-10-29]
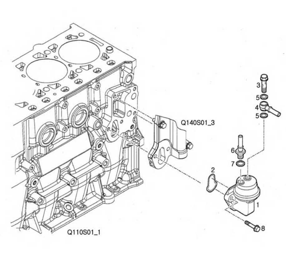
연료펌프_P7175

판매가

251680원
비회원 : 251680원

판매자

* 다사농기 251680원 0EA

구매하기

EA (현재 재고 없습니다.)

본상품포함  

 

 

전체선택 (재고확인)

 
오링47.3*2.62
(재고:0)

 

전화번호

궁금한 점을 등록하시면 확인 후 답변드립니다.